 |
| |
|
| |
 |
銷售專線: |
0510-83726583
0510-83700572 |
| |
| 服務/建議/監督電話: |
| 15370223880 |
| |
| 郵箱:lhdz@lhdz.com |
|
| |
|
|
|
|
|
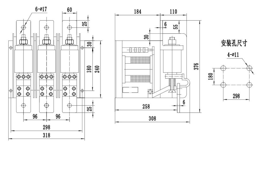
CKJ3-800/1000/1250/1140系列
( CCC認證 )
額 定 參 數
|
|
|
名 稱 |
單 位 |
數 值 |
電 路 |
額定工作電壓(Ue) |
V |
1140 |
額定工作電流(Ie) |
A |
800、1000、1250 |
額定頻率(fr) |
Hz |
50 |
額定接通能力 |
A |
4Ie (AC-2) |
額定分斷能力 |
A |
4Ie (AC-2) |
工頻耐受電壓 |
相間、相對地 |
kV |
4.2 |
真空斷口 |
kV |
10 |
雷電沖擊耐受電壓 |
kV |
8 |
控制電路 |
額定電壓 |
V |
AC. 220/380 |
額定功率(Ps) |
電保持 |
VA |
≤1000/100(吸合/保持) |
機械保持 |
VA |
≤900/600(合閘/分閘) |
輔助電路 |
形式 |
|
3a+3b |
額定值 |
|
AC 380V/5A、DC380V/1A |
控制電路、輔助電路對地工頻耐受電壓 |
kV |
2 |
額定操作頻率 |
長期或機械保持型 |
次/h |
300 |
短期 |
次/h |
600 |
機械壽命* |
萬次 |
30 |
電壽命 |
萬次 |
10 |
機械特性 |
合閘時間 |
ms |
≤200 |
固有分閘時間 |
ms |
≤160(電保持)
≤60(機械保持)
|
三相不同期 |
ms |
≤3 |
合閘彈跳 |
ms |
≤10 |
|
kg |
31 |
注:1.控制電壓亦可按用戶需要定制。* 建議每15萬次更換輔助開關及分閘裝置; |
|
| |
|
| |
|
| |
| |
|
| |
|